欢迎来到沃尔斯重工(靖江)有限公司 !

全国服务热线:18115919885

联系我们

沃尔斯重工(靖江)有限公司

联 系 人:戴经理 
手   机:18115919885
电  话:0523-84809998
传  真:0523-84809938
邮  箱:wrscranes@163.com
询价请发邮件到此邮箱

美眼钩您现在所在的位置 : 首页 / 产品中心 / 起重配套产品 / 吊钩 / 美眼钩

80级扁大开口钩


立即询价


咨询电话

18115919885

  • 产品详情

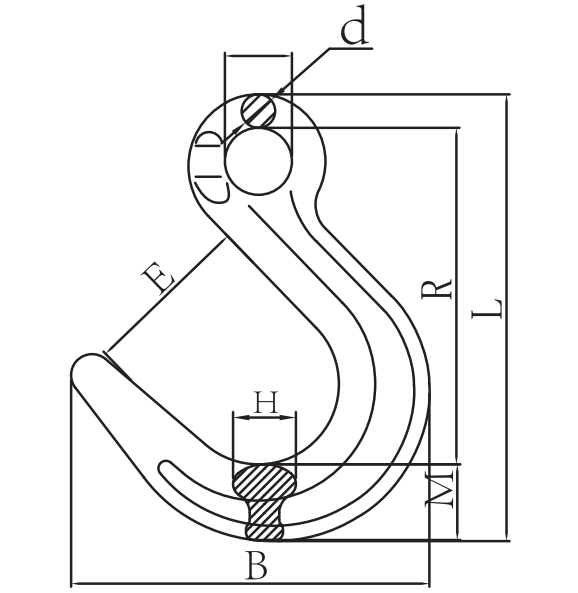
80级欧式眼型滑钩

1609145802781.png

1609145819388.png

  • 高强度高韧性特殊合金钢锻造而成,经过热处理

  • 与EN818-2标准80级链条配合使用

  • 逐件按工作拉力的2.5倍进行验证测试

  • 抽样进行2万次耐疲劳测试

  • 对每一批次产品进行严格的抽样破断测试

  • 经过100%磁粉探伤检验

  • 表面处理:喷塑


ScreenShot_2025-12-08_170733_382.png


联系我们

电话:18115919885

固话:0523-84809998

E-Mail:wrscranes@163.com

江苏省靖江市城北工业园区

苏州电话:13814880989

苏州地址:江苏省昆山市张浦镇同乐路

关注我们

扫一扫加关注 微信客服
友情链接 / links

沃尔斯重工(靖江)有限公司 版权所有备案号:苏ICP备2021050493号-1

回顶部