沃尔斯重工(靖江)有限公司
联 系 人:戴经理
手 机:18115919885
电 话:0523-84809998
传 真:0523-84809938
邮 箱:wrscranes@163.com
询价请发邮件到此邮箱

![]()
★Borkey双排轮载重滚轮小车,德国Borkey产品,分为ZAM型(载重25-330t)、ZAS型(载重80-400t)两种类型,适用于持续负载下的长距离推移作业,特别适用于极高点载荷和极小安装空间的工况♂
★可定制三排轮、四排轮、多排轮的载重滚轮小车。
★广泛应用于桥梁建设,以及作为液压缸支撑的移动装置。
![]()
●Borkey双排轮载重滚轮小车,采用框架式结构设计,结构高度低,整体结构坚固。
●可通过螺栓固定负载板或顶板,实现牢固连接,拥有极稳定的负载承受与分布能力。
●采用滚链导向减少磨损,避免链条侧向滑动,从而防止销轴端头损坏。
●当无法排除短期超载(超过小车标称承重能力)风险或可能性较高时,推荐选用ZAM-H-50CrV4/ZAS-H-50CrV4 型号(滚轮材料为 50CrV4)。自 VL 规格(880 kN/1000 kN)起,默认采用 50CrV4 滚轮材料
![]()
|
|
![]()
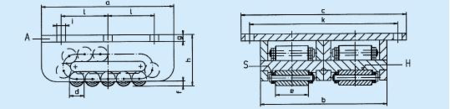
Borkey ZAM型双排轮载重滚轮小车参数表
型号 | a | b | c | ød | e | f | g | h | øi | k | l | 受压滚轴数 | 滚轴数 | 承载T | 自重kg |
Ⅰ | 210 | 200 | 280 | 18 | 51 | 6 | 13 | 76 | 14 | 245 | 75 | 2×5 | 2×15 | 25 | 16 |
Ⅱ | 220 | 226 | 305 | 24 | 60 | 10 | 14 | 87 | 14 | 270 | 80 | 2×4 | 2×13 | 34 | 22 |
Ⅲ | 270 | 260 | 340 | 30 | 68 | 10 | 14 | 104 | 18 | 305 | 95 | 2×4 | 2×13 | 66 | 35 |
ⅢV | 320 | 280 | 360 | 30 | 68 | 10 | 18 | 115 | 18 | 325 | 120 | 2×6 | 2×17 | 84 | 55.5 |
Ⅳ | 380 | 336 | 440 | 42 | 76 | 19 | 19 | 145 | 22 | 390 | 150 | 2×4 | 2×13 | 106 | 92.5 |
Ⅴ | 530 | 364 | 480 | 50 | 86 | 19 | 19 | 165 | 22 | 430 | 210 | 2×6 | 2×17 | 138 | 168 |
ⅤL | 580 | 364 | 480 | 50 | 86 | 19 | 23 | 170 | 26 | 430 | 250 | 2×8 | 2×21 | 176 | 197 |
ⅤV | 650 | 410 | 560 | 50 | 100 | 20 | 28 | 190 | 26 | 490 | 240 | 2×9 | 2×23 | 250 | 294 |
Ⅵ | 900 | 410 | 590 | 50 | 100 | 20 | 38 | 200 | 33 | 500 | 360 | 2×13 | 2×31 | 330 | 432 |
*ZAM-H(H=硬化和加工的中心板) ZAM-H-50CrV4(滚轴材质50CrV4) 所有单位mm
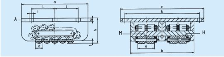
Borkey ZAS型双排轮载重滚轮小车参数表
型号 | a | b | c | ød | e | f | g | h | øi | k | l | 受压滚轴数 | 滚轴数 | 承载T | 自重kg |
Ⅲ | 270 | 260 | 340 | 30 | 68 | 10 | 14 | 104 | 18 | 305 | 95 | 2×4 | 2×13 | 80 | 36.2 |
ⅢV | 320 | 280 | 360 | 30 | 68 | 10 | 18 | 115 | 18 | 325 | 120 | 2×6 | 2×17 | 100 | 57.5 |
Ⅳ | 380 | 336 | 440 | 42 | 76 | 19 | 19 | 145 | 22 | 390 | 150 | 2×4 | 2×13 | 130 | 96 |
Ⅴ | 530 | 364 | 480 | 50 | 86 | 19 | 19 | 165 | 22 | 430 | 210 | 2×6 | 2×17 | 170 | 175 |
ⅤL | 580 | 364 | 480 | 50 | 86 | 19 | 23 | 170 | 26 | 430 | 250 | 2×8 | 2×21 | 200 | 207 |
ⅤV | 650 | 410 | 560 | 50 | 100 | 20 | 28 | 190 | 26 | 490 | 240 | 2×9 | 2×23 | 300 | 305 |
Ⅵ | 900 | 410 | 590 | 50 | 100 | 20 | 38 | 200 | 33 | 500 | 360 | 2×13 | 2×31 | 400 | 485 |
*ZAS-H(H=硬化和加工的中心板) ZAS-H-50CrV4(滚轴材质50CrV4) 所有单位mm
电话:18115919885
固话:0523-84809998
E-Mail:wrscranes@163.com
江苏省靖江市城北工业园区
苏州电话:13814880989
苏州地址:江苏省昆山市张浦镇同乐路
扫一扫加关注
微信客服
沃尔斯重工(靖江)有限公司 版权所有备案号:苏ICP备2021050493号-1